
设计标准
萨拉里耶是一座建造在城市中的住宅建筑。在城市环境中建造的建筑物需要按照市政府的规范和规章制度设计,因此具有不同的挑战和局限性。这些项目通常具有相同的立面规定和某种平面形式,这种限制不但会在室内造成刻板的平面布局和毫无动态感的空间品质,在室外也会造成建筑内部和外部之间的连接脱节。



项目背景
该项目位于库姆市。该城市的宗教信仰,如“隐私”和“不允许有来自外部的视线看入建(BIM教程)筑物内部”等约定俗成的规矩在城市决策和邻里关系中起着重要作用。



设计解析
一般推进速度缓慢的项目在设计阶段都是通过特定背景下进行研究而形成的。设计控制系统的形成以及如何理性处理它们(这是对城市标准的挑战),还有对项目深度的把控,提出并激发项目其他层次的问题和潜力都是需要考虑的问题。而这些层次的问题都会受到设计过程中进度、社会、文化、结构,甚至项目实施细节的影响。








于是在本次项目中构思的城市墙可以看做是一面将内部功能、平面布局、隐私保护和标准限定结合在一起的墙。它的存在在互动对话中对建筑物的内部和外部都有影响。总体来说,该项目在统一的城市肌理中以一种具有整体感的形象展现出来,同时相对于周围的环境而言它还能表现出独立的个性。




图纸

地下层平面图

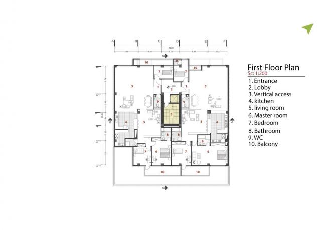
一层平面图

二层平面图

三层平面图

四层平面图

五层平面图

六(BIM)层平面图

屋顶层平面图

立面图

剖面图A

剖面图 B

分析图1

分析图2

分析图3

分析图4

分析图5

分析图6

分析图7

分析图8

分析图9

分析图10

分析图11

分析图12

分析图13

分析图14

分析图15

分析图16

分析图17

分析图18
项目信息
建筑设计:Heram Architects
项目区位:伊朗,库姆省,库姆
主导建筑师:Morteza Alinia Moghadam, Hmaid Babaei
建筑面积:3600.0平方米
项目时间:2018年
项目摄影:deed studio
制造商:Grohe, Vista Best

BIM建筑网





评论前必须登录!
注册