西南地区首个全装配公共建筑
成都市装配式建筑示范工程
成都市工业化科研示范工程
绿色三星建筑
方案、施工图及深化设计单位:中国建筑西南设计研究院建筑工业化中心
构件生产及施工单位:成都建工

鸟瞰图
本项目位于成都市青白江区,为成都建工建筑工业化公司的产业化研发中心,由办公楼、公寓和食堂组合形成的围合式园林布局建筑群,总建筑面积约5000平米。设计为全装配式框架体系,设计及运营绿色三星。

临街全景透视
设计运用了工业化的建筑技艺,纹理化的清水混凝土外墙,富有韵律感的建筑外观,不仅表现了建筑的工业美感,摆脱了混凝土建筑冷冰冰的外观印象,也将以人为本的理念融合在每一个细节设计中。庭院、游廊、底层花墙、园林布局、绿色建筑设计、人性化的办公空间、防噪音设计等特征共同构筑了这一富有特色的建筑。

临街局部透视

主入口局部

食堂半鸟瞰

内庭院
项目特点:
一、人性化设计
基地周边城市道路与厂区生产噪音大,对研发中心影响较大。

设计通过置入庭院,利用外走廊屏蔽周边环境的影响,打造内部安静舒适的办公庭院空间,强调人性化体验。

外廊+混凝土预制外墙立面屏蔽噪音。通过ECOTECT噪音模拟,证明降噪明显,内部办公环境安静舒适。

通过CFD模拟、确定合理建筑通风布局;并在合理位置设计公共开放空间,形成导风效应,提高建筑的绿色适应性。

一动一静空间秩序组合,形成多层次庭院、游廊空间。




空间及动线组合

食堂临内庭院方向

连廊一角

连廊一角
二、预制装配率高
研发中心采用全装配式钢筋混凝土框架体系,全部构件工厂化生产,现场只进行拼装,装配率达100%,预制装配率达70%。

研发中心组装示意图

研发中心西北角

装配式树池
三、装配式绿墙
我院拥有专利的装配式绿墙,单元模块标准化,工厂化。

底层绿墙通透舒适。

绿墙编织感强,形象独特有标志性。




四、清水砼外墙板艺术化设计
清水砼外墙挂板设计标准化,工厂化、艺术化,通过4块主要墙板反复拼装成如此优美的建筑。



简洁的办公楼主入口,装配式技术与艺术的完美结合。8X4米的超大预制顶板生产时就预埋入筒灯。

五、一体化装修
采用一体化装修,内装与建筑构件同时设计,预埋、生产。

实现装修工业化,提高工业化程度。


大量采用建工生产的装配式产品,成为内部的展示亮点装配式住宅。

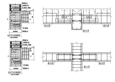
六、节点创新设计
梁柱节点创新设计解决国家规范装配式连接方式梁柱截面过大、现场钢筋过密以及施工浇捣困难等问题。

主次梁优化设计解决传统连接方式主梁被打断,现场施工困难等问题

七、屈曲支撑设计
研发中心方案设计为单榀框架+大悬挑,因此采用了屈曲约束支撑增加单榀框架的抗震能力,中震、大震的耗能能力。做到大震只损坏屈曲约束支撑,更换即可的目地。

八、绿色三星
研发中心按照国家绿色三星标准进行设计,除了装配式建筑外,还有以下九项主要绿色技术应用。

我们通过计算机模拟建筑物理环境与设计改良。
模拟噪音屏蔽——“园林”式建筑布局可屏蔽大量外部噪音,建筑内部声环境良好,安静怡人。
模拟风环境及设计优化——成都风向夏季为东北偏北,冬季为东北风;在自然风向利用上采用夏季通畅冬季阻挡的原则。通过CFD模拟,确定各季的不利点,改善后重复模拟,直到获得较好结果。



内庭院夜景
本项目是西南地区首个真正意义上的全装配公共建筑,功能复杂、体形多变,平面较为不规则,但是设计不是呆板、千篇一律的传统工业化建筑形象,预制建筑可以做到这么美,超乎你想象。
本项目的建成并投入使用将为四川建筑工业化的技术发展贡献一份力量。

BIM建筑网




评论前必须登录!
注册