近日,中建三局二公司承建的华中第一高楼完成首个100%预置化制冷机房。武汉绿地中心机电安装项目28小时一次性成功完成3号楼制冷机房装配任务,该制冷机房面积为500平方米,制冷量为2400冷吨,从建模设计、分段分节、管线布料、支撑体系核算、精密焊接机器设备生产、预制半成品现场吊装运输到现场就位误差与空间误差的控制,均由项目部自主完成,所用管段均是100%预制生产,是武汉绿地中心机电项目首个自主研发、自主预制、自主装配的预制化机房。
一、自主设计研发
设计时,先由设备厂家提供设备尺寸参数,在电脑中使用BIM建立族库,对整个制冷机房进行精准建模,包括单根支吊架及组合支吊架的设计,并使用Midas软件对设计的支吊架进行复核,保证现场管道承重以及固定。然后对机房整体进行管段分节,每一单根管道要导出模型,确定详细的参数,并对管节进行标注。现在可以将建模数据导入焊接机器人的“大脑”了。现场为了将重达2.1吨,长度为9.1米的管道精密分节,项目人员使用软件进行整体模拟后分节模拟,然后导出分节的详图,就可以加工制作了。

由设备厂家提供设备尺寸参数

对制冷机房进行精准建模

利用MiDas软件对设计支吊架进行受力校核
二、自主加工生产
项目建成中建三局首个占地2000平方米的数字化建造研发基地,采用数字化风管生产线,引进大管道“焊接机器人”设备、切口、数控相贯线、组对及焊接等一系列设备。这些设备能装配式住宅根据输入其中的数据进行管道切割并焊接成既定形状,制成管节。不但保证了焊接质量,一次成型,还有效避免了焊接质量通病,提升了品质。
首先进行精准化下料,将设计好的图形输入电脑,在电脑中利用方菱管套料软件指导设备切割焊接,可以保证管道切口一次成型。然后将管道实际尺寸输入设备,调整管道相交形式,显示相交线,在相贯线设备上利用Tube cutter软件进行精准挖孔、切割。
加工生产的环节如下

对每节管段进行标注

对每节管段出详细的尺寸参数图纸


数字化精准下料


利用软件模拟管道切割、挖孔
至此,加工生产的环节完成。
三、自主装配化施工
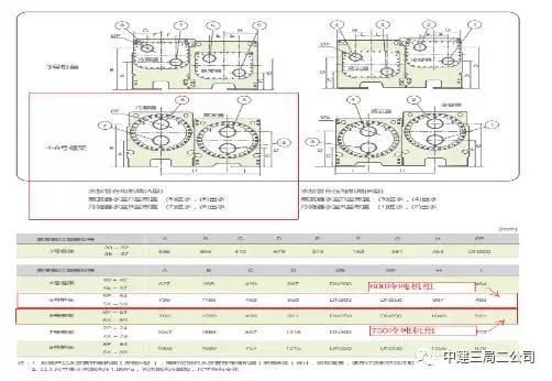
武汉绿地中心整个工程制冷量达15000冷吨,制冷机房达到2400平方米,为行业之最。未来将高品质保障整栋建筑的制冷输出。项目对机房的装配化施工进行了周密的计划,精确到秒,现场对每个管件都进行二维码标识识别,为各零配件顺利进场,流程化作业打下良好的基础,并保证了现场零焊接。
在自主装配化施工中,首先进行管道预制,将工厂化加工好的焊接管道先制成半成品,进行焊接管道的预拼装,然后将预制的半成品从数字化研发基地中运出,预制半成品经吊装口吊运至机房进行装配化施工。


预制半成品从加工车间运出


预制半成品到达机房
继武汉第一、华中第二、世界第三高楼——武汉绿地中心项目突破439米之后,这个庞然大物的“心脏”也在中建三局二公司安装公司自主研发的装配化施工工艺条件下完成了组装。项目目前已完成3号机房的装配化施工,未来通过数字化建造模式将完成类似的4个机房的施工任务。整个过程极大的提高了预制化和工业化的程度,代表了先进的行业技术,为社会奉献时代精品。


装配完成的机房效果
(欢迎各大媒体转载,全面宣传推广装配式建筑!转载请注明出处)

BIM建筑网




评论前必须登录!
注册