
以本文将以上海临港重装备产业区项目为例,剖析装配式混凝土结构在公共建筑领域中的创新应用。
项目概况
序号
项 目
内 容
1
工程名称
临港重装备产业区 H36-02 地块项目
2
工程地址
上海浦东新区临港重装备产业区和物流园区
3
开发单位
上海临港新兴产业城经济发展有限公司
4
设计单位
同济大学建筑设计研究院(集团)有限公司建筑设计三院
5
合作设计
德国gmp国际建筑设计有限公司
6
设计时间
2016.2-2017.2
7
结构形式
除东4楼采用装配式钢框架结构外,其余单体地上部分均采用装配整体式钢筋混凝土结构
8
建筑面积
总建筑面积21.4万㎡
9
建筑层数
7栋高层建筑,16栋多层建筑,一层地下室
10
主要功能
研发及配套服务设施
11
单体预制率
≥40%(其中单体西1,西2楼为创新示范工程,装配预制率≥45%)
12
预制构件类型
框架柱、主次梁、楼板、楼梯以及挑板和女儿墙等
注:本项目目前处于设计阶段,本文实景图片均来源于其它工程。

主入口

东主入口立面

预制柱

预制梁

预制楼梯板

预制双T板
项目特点
1 装配式混凝土结构消能减震结构体系
本工程西1、西2楼为高层建筑,若按常规体系采用框架剪力墙结构,则剪力墙部分需要现浇,增加现场湿作业,不利于预制率的提高;且刚度的增加会导致预制框架部分的构件尺寸较大,造成运输和施工吊装困难。
经比选,采用了设置黏滞阻尼器的装配整体式钢筋混凝土框架结构。其优点在于不会给结构增加额外的刚度,且在多遇地震作用下就能显著耗能,减小地震剪力和位移角。据统计,黏滞阻尼器替代剪力墙之后,提高了建筑的预制装配程度(单体预制率≥45%),减少了结构自重(混凝土用量减少7%),同时增强了装配式建筑的抗震能力和防灾性能。


黏滞阻尼器实物

黏滞阻尼墙连接示意图

西1楼阻尼器布置图
2 装配整体式混凝土框架结构简化节点连接
为解决框架节点钢筋密集、施工困难的突出问题,优化了框架梁柱和节点的配筋及连接方式,包括:框架柱四角集中配置受力纵筋、框架梁底筋节点区钢筋避让、采用钢筋锚固板的框架顶层端节点,有效提高装配式框架的施工效率。

典型中层边柱节点构造

典型框架梁底筋错位排布构造

顶层梁柱节点构造
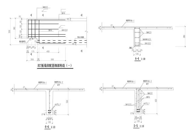
3 预制预应力混凝土双T板叠合楼盖技术
本项目标准柱网为8.4mx8.4m,因此大量采用预制预应力混凝土双T板,取消次梁,提高施工效率并降低造价,局部柱距较密,则采用钢筋桁架叠合板。


装配式建筑双T板

钢筋桁架叠合板

西1楼典型楼层预制板布置图(红色为双T板,蓝色为钢筋桁架叠合板)
为了满足公共建筑装配式混凝土结构对大跨楼盖结构的需求,研究了先张法预应力混凝土双T板变截面端部设计方法以及L形、倒T形梁的挑耳设计方法。

典型双T板梁板节点

双T板端部节点构造

双T板端部节点构造实物
4 BIM和RFID(无线射频识别芯片)技术在装配式建筑中的应用
在装配式建筑的设计、生产、施工、运维等各个阶段,均应用RFID(无线射频识别芯片)技术实现预制构件的信息自动化采集,同时结合BIM技术进行精细化设计、提高预制构件制作精度、加强施工管理水平并节省工程造价、为项目运营维护提供准确的工程信息,实现装配式建筑的全生命周期信息化管理。

中间层边跨梁柱节点BIM模型



钢筋桁架叠合板BIM管综模型

双T板受力边节点模型

装配式楼梯模型
(欢迎各大媒体转载,全面宣传推广装配式建筑!转载请注明出处)

BIM建筑网



评论前必须登录!
注册