BIM软件小技巧:项目文件共享参数对族中共享参数的影响二
在Revit中,我们可以针对项目参数为某一类别构件统一添加共享参数,也可以在族定制时针对单个族添加共享参数。那么,如果添加了同一共享参数的族载入到这个统一添加了共享参数的项目之中,会不会有影响呢?我们可以分几个方面来进行查看。
二、被删除的共享参数分组
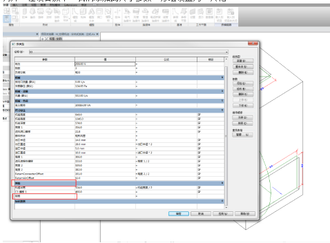
首先,我们可以在项目文件中添加一个共享参数,例如将其分组到“数据”分组之中

添加完成后,由于一些原因我们可能需要将其删除,此时我们从项目参数中将其删除

另外,在设备族中,我们添加此共享参数,分组设置为“其他”

将族载入到项目中后,可见此参数分组依然遵循项目参数中被删除前的分组设定“数据”,而非族中的分组设定“其他”。

微信公众号:xuebim
关注建筑行业BIM发展、研究建筑新技术,汇集建筑前沿信息!
← 微信扫一扫,关注我们+

BIM建筑网

评论前必须登录!
注册