
建筑师希望将珍贵的和谐地球环境交付予下一世代,由此同时需要小心翼翼地保护它。这也是业主企业的主要愿景。联合国可持续发展目标SDG的理念现正在社会中渗透,而这一项目的所有人企业则希望为世界做出贡献,并创造以 SDG 可持续政策为基础的连续、繁荣的社会,同时“构建新的价值,使孩子们可以在未来快乐生活”。“氢”是下一世代最具希望的新能源介质。这一元素可以通过与氧气的化学反应发电,并让汽车可以在不排放二氧化碳的情况下行驶。“东亚合成德岛氢气站”可以高效地进行碳中和处理,并且这一氢气站直接与邻近工厂相连,由此可以通过管道输送氢气。


因此,“东亚合成德岛氢气站”在为汽车提供燃料时不会排出二氧化碳,并且在运输过程中也不会排出二氧化碳。这也是日本第一个生产氢能源、并将其利用盐电解精制、供给的直接运营设施。氢在日本乃至世界都是重要的能源介质之一,使用氢可以大幅减轻环境负荷。现今,电力短缺现象严重,因此人们对电力的需求日益上升。并行使用氢能源与电力可以取得供需平衡,同时也是能源众多可替代方案中非常重要的一个方案。如果采用多种、多样的系统,社会将可以更加稳定。意外的是,世界正走向混乱:随着强调效率的集权控制危机显现,表达对多样性的尊重也是对稳定的寻求。建筑师与业主共同希望为下一代带来安宁。


半透明的云状天棚悬浮于空中,表达了“氢气”的象征。这些方块状的“云”单元由 ETFE 膜布覆盖,并给人以如气球般的轻飘感。各个“云”单元围绕组群“树”柱,并犹如云或树冠般聚集。建筑并不是以创造形态为目的布局,而是试图构想一个可以覆盖“倦怠”空间的系统,同时使其与环境共鸣。这一架构如云般漂浮,给予了观览者们以神秘感。


一定体积的气体可以成为保护环境的缓冲。就如一层绝缘或隔热层一样,“云”单元像云层控制着其下方的大气一样,保护着它所覆盖的空间。“氢”物质也必然地成为气体,轻巧地保护着未来的全球环境。建筑师们希望将这一愿景传递给人们。此外,从建筑生命周期消耗能量考虑,这一轻巧的架构从建造期间到后期都是有用的。不仅如此,建筑还将在启发世界氢能源理念方面发挥重要的作用。
“我们希望向人们传达我们必须保护宝贵的地球这一理念。”












项目图纸

△总平面图

△平面图

△立面图

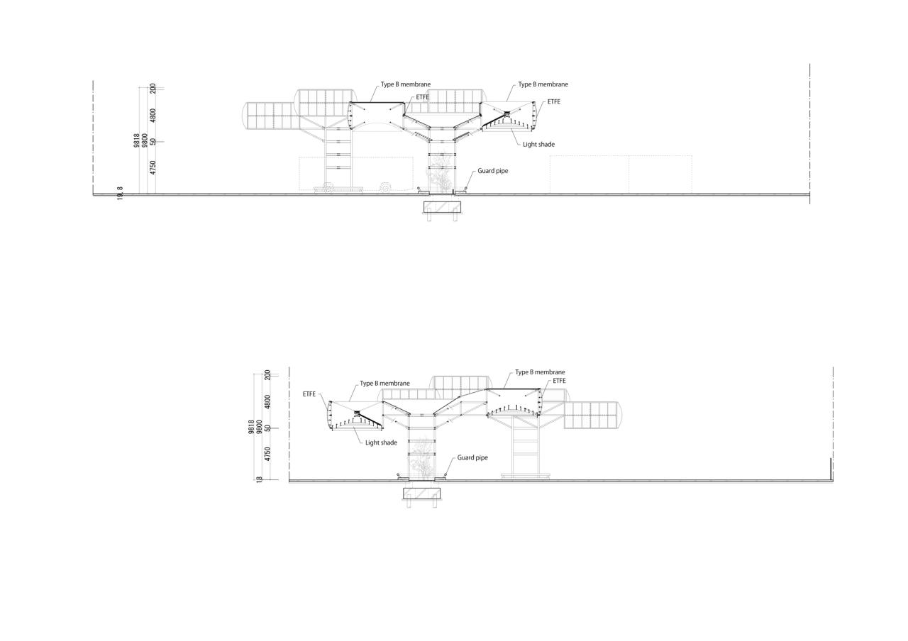
△剖面图

△剖面图
项目信息
建筑师:Osamu Morishita Architect & Associates
面积:47m²
项目年份:2022
摄影师:Katsumasa Tanaka
主创建筑师:森下修
建筑师:森下建筑研究所, 森下修, 中馬啓太,宇都祥平
结构:KAP
设备:建筑设备设计研究所
总承包商:北岛组
地点:日本,德岛市

BIM建筑网





评论前必须登录!
注册