BIM建筑网
更专业的BIM技术学习网站!


2022年图学会第十九期全国BIM技能等级考试二级结构考试真题下载

2022年图学会第十九期全国BIM技能等级考试二级结构考试真题,以下是本次考试的内容截图,清晰版的PDF真题请下载。

第一题
2022年图学会第十九期全国BIM技能等级考试二级结构考试真题下载
第二题
2022年图学会第十九期全国BIM技能等级考试二级结构考试真题下载
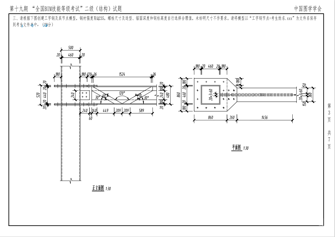
第三题
2022年图学会第十九期全国BIM技能等级考试二级结构考试真题下载
第四题
2022年图学会第十九期全国BIM技能等级考试二级结构考试真题下载
2022年图学会第十九期全国BIM技能等级考试二级结构考试真题下载
2022年图学会第十九期全国BIM技能等级考试二级结构考试真题下载
2022年图学会第十九期全国BIM技能等级考试二级结构考试真题下载

资源下载此资源仅限注册用户下载,请先
技术支持,放心下载!

  • 资料名字:2022年图学会第十九期全国BIM技能等级考试二级结构考试真题下载
  • 如何下载:用户在线自助下载,快速获得资料;
  • 资料说明:该资料经过小编严格测试,确认没有错误后,面向广大用户提供使用;
  • 注意事项: 1、如果资源出现不能下载,请及时联系我们,我们将尽力为你解决。
    2、本站资源来源于互联网,如有侵犯您的版权,请联系我们!我们会在24小时内删除。
    3、联系邮箱 | service@bimii.com
  • 资料标签:
  • BIM建筑网,更专业的BIM技术学习网站!

    关注建筑新动态,分享建筑新技术

    联系我们关于BIM建筑网

    觉得文章有用就打赏一下小编吧

    非常感谢你的打赏,我们将继续提供更多优质内容,让我们一起创建更加美好的网络世界!

    支付宝扫一扫打赏

    微信扫一扫打赏

    扫码登录

    微信「关注」,快捷登录
    扫码关注后会自动登录
    注册登录代表您已同意《用户许可协议》
    账号登录 | 其他登录

    |登录

    找回密码

    |账号登录注册