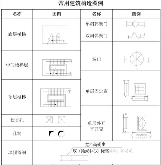
干了这么多年的土建,对于机电专业图纸仍然头大,对于一些不常见的图纸构件代号依然很陌生,其实专业图纸难就难在复杂的代号。今天为大家奉上图纸代号最全合集!










微信公众号:xuebim
关注建筑行业BIM发展、研究建筑新技术,汇集建筑前沿信息!
← 微信扫一扫,关注我们+
干了这么多年的土建,对于机电专业图纸仍然头大,对于一些不常见的图纸构件代号依然很陌生,其实专业图纸难就难在复杂的代号。今天为大家奉上图纸代号最全合集!












评论前必须登录!
注册