BIM建筑网
BIM建筑网更专业的BIM技术学习网站!
首页
学习
BIM教程
专业培训
软件教程
资料
BIM模型
BIM族库
技术文档
真题下载
设计施工
免费资料
基础
BIM案例
BIM技巧
BIM百科
BIM文库
BIM问题
二次开发
软件
插件
Revit插件
CAD插件
SU插件
族库插件
转换插件
渲染插件
BIMMAKE
Revit
Navisworks
SketchUp
Lumion
Vray
3dsMax
AutoCAD
Fuzor
Inventor
Tekla
天正软件
安装教程
其他软件
装配式
装配式资讯
装配式技术
装配式规范
装配式案例
视界
建筑鉴赏
BIM视界
SU模型库
规划模型
别墅模型
住宅模型
办公模型
商业建筑
酒店模型
综合体模型
学校模型
医院模型
文化公建
体育馆模型
车站交通
工业园区
古建筑模型
景观模型
小品设计
素材模型
合作:联系我们
建筑展会
关注我们
公众号
微博
Hi, 请登录
我要注册
找回密码
当前位置:
BIM建筑网
装配式建筑
装配式技术
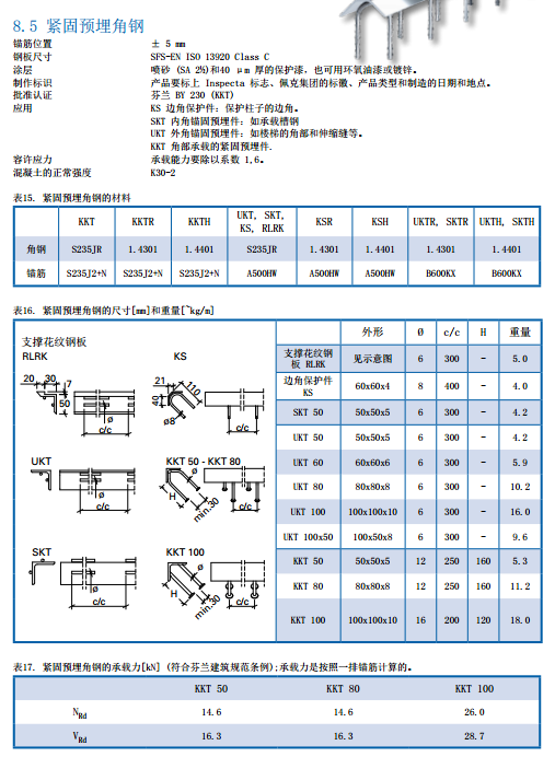
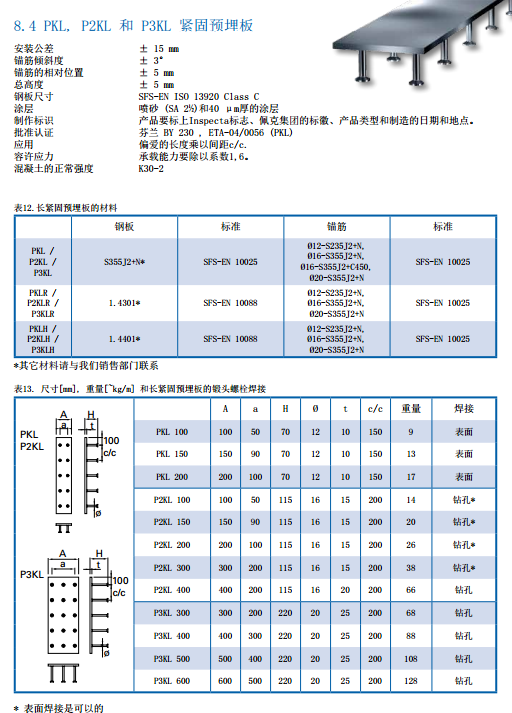
装配式研究|紧固预埋板
装配式研究|紧固预埋板
2019-11-28
分类:
装配式技术
评论(0)
供应商
佩克建筑配件(张家港)有限公司
微信公众号:xuebim
关注建筑行业BIM发展、研究建筑新技术,汇集建筑前沿信息!
← 微信扫一扫,关注我们+
赞(
0
)
打赏
BIM建筑网
»
装配式研究|紧固预埋板
装配式知识
装配式研究
BIM建筑网
关注建筑行业BIM发展,汇集BIM前沿资讯、BIM使用技巧、BIM实战能力,更专业的BIM技术学习网站!
上一篇
装配式研究|混凝土搅拌站
下一篇
装配式研究|混凝土脱模剂
相关推荐
装配式研究|装配式建筑的“三化论”
装配式研究|装配式建筑生产、施工、验收全流程
装配式研究|装配式建筑及技术概述
装配式研究|未来住宅的主旋律:装配式建筑的12项优势
热门文章
图学会|中国图学学会生命图谱专业委员会成立会议在北京召开
2026-02-15
图学会|中国图学学会“图创未来”科普讲座2025年度第九期(总第28期)在线上成功举办
2026-02-14
图学会|中国图学学会“奋发图强”前沿技术云讲堂 2025年度第六期(总第7期)在线上成功举办
2026-02-14
图学会|中国图学学会2026年度第一次团体标准审查会在北京召开
2026-02-14
装配式政策|安徽 |关于大力发展新型建造方式的实施意见
2026-02-02
装配式政策|住房城乡建设部关于提升住房品质的意见
2026-01-30
装配式行业|北京市首个新型建筑工业化智能建造产业园项目开工奠基
2026-01-29
装配式行业|中国建研院好房子研究中心成立
2026-01-26
热门标签
装配式政策
政策规范
BIM软件
BIM知道
BIM问答
装配式企业
装配式行业
SU商业模型
SU综合体模型
中国
bim
SU住宅模型
SU别墅模型
独立住宅
Revit
Sketchup素材模型
SU素材模型
SU景观模型
装配式规范
BIM问题
混凝土
2022年
SU办公楼模型
改造
Revit技巧
2021年
Sketchup度假区模型
SU酒店模型
木材
SU学校模型
BIM学习
BIM技巧
Revit问题
2023年
BIM族库
Revit族库
族
装配式建筑
装配式住宅
装配式研发
SU图书馆模型
Sketchup文化馆模型
SU文化建筑模型
预制装配式
装配式房屋
BIM培训
BIM常见问题
文化建筑
装配式结构
BIM技术
美国
BIM建筑
住宅
博物馆
浙江
庭院
2017年
上海
住宅室内
居住建筑
BIM建筑网,更专业的BIM技术学习网站!
关注建筑新动态,分享建筑新技术
联系我们
关于BIM建筑网
觉得文章有用就打赏一下小编吧
非常感谢你的打赏,我们将继续提供更多优质内容,让我们一起创建更加美好的网络世界!
支付宝扫一扫打赏
微信扫一扫打赏
切换注册
扫码登录
微信「关注」,快捷登录
扫码关注后会自动登录
注册登录代表您已同意
《用户许可协议》
账号登录 | 其他登录
扫码登录
|
切换注册
登录
用户名或邮箱
找回密码
密码
记住我
扫码登录
|
账号登录
注册
昵称
邮箱