从设计角度分析钢结构住宅体系的特点,介绍异型钢柱住宅项目的设计思路。针对框架结构采用不同阻尼比、基础方案等问题进行数据对比分析;总结设计中常见问题注意事项;对设计标准提出不同意见。
一、钢结构住宅体系选择
从已建成的钢结构住宅来看,主要有:
1)薄壁型钢组合墙板形式;
2)纯框架形式;
3)框架支撑形式;
4)型钢混凝土组合形式;
5)钢框架-混凝土抗震墙形式等等。
这些结构形式各有特点,其中薄壁型钢组合墙板形式特别适宜定型产品,其体系是从墙板结构演变而来,即将薄壁型钢柱构件按大约 600mm 的间距布置形成竖向承重结构、型钢间设支撑系统以抵抗水平力,楼板根据竖向型钢的位置布置成密肋支撑结构,因上部结构为类墙板结构,其基础根据受力情况设成条形基础,对地基要求不高。薄壁型钢组合墙板住宅受密布结构的影响,对开间、门窗洞口、挑出构件尺寸均有一定限制。
后面几种形式可以满足多高层住宅设计要求,但从使用的角度都存在一个共同问题,即梁柱突出对住宅内部观感的影响。住宅相对于其它建筑有其特殊性,办公、厂房可以采用较为固定柱网,层高也较高,其梁柱所占空间给人的感观是适宜的,柱网规则有利于梁的布置。相反住宅是一个变化多端的产品,根据建筑的要求,很少布置出规则的柱网,房内开间相对较小、变化较多,不利于钢框架布置。由于钢材的特点,它在住宅中只能形成框架体系或桁架体系,可以说框架体系如果适用于普通住宅,钢框架必然有其大显身手的地方,普通框架结构不能解决住宅应用问题的话,常规钢框架体系在普通住宅中应用也有相似的弱点。
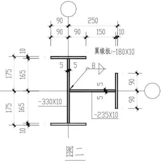
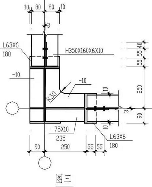
受短肢剪力墙结构的启发,在钢结构住宅设计中将钢柱设计成异型柱形式,以配合建筑变化的要求,图1 是两种异型钢柱截面,根据建筑墙体厚度减去面层厚度来设定翼缘宽度,框架梁与异型钢柱各个方向的翼缘刚接,图2 为相应的节点连接详图。
异型钢柱示意图

异型钢柱梁柱节点详图


某住宅项目三层样板间设计成异型钢柱纯框架结构,建筑采用砌块隔墙,建成后外部及室内观感均令人满意,与该住宅成品(混凝土剪力墙结构)实际效果一致。在工业厂房设计中经常采用异型钢柱,采用排架受力体系时,异型钢柱经常设计成双轴对称或主受力方向单轴对称,厂房纵向采用支撑系统抵抗纵向水平力,系杆、支撑构件多连接于异型柱弱轴形心轴上,这样在结构概念设计及采用杆系软件计算容易处理。住宅中应用异型钢柱与厂房设计还是有很大区别的,下图是厂房梁柱连接方式与住宅梁柱连接方式的简单比较

可以看出在住宅中,梁柱的截面形心轴不在同一位置上,不符合常规设计理念,在采用杆系软件计算时无法解决偏轴问题。尽管如此,与短肢剪力墙结构相比,笔者认为异型柱是在原来较大的矩形框架柱截面或整片混凝土墙修改为的截面面积较小的异型截面,相应地也减少了截面特性,而异型钢柱是在一个工字钢截面上增加一个T型截面,相应地是增加了弱轴方向的截面特性,特别是将钢梁与钢柱弱轴的刚性连接节点转化为与柱翼缘连接,优于常见设计中工字钢柱在弱轴方向设外伸连接板的刚性连接,加强了工字钢柱弱轴稳定,对结构安全是很有利的。一般认为工字钢柱弱轴刚性连接不可靠,所以在很多构造手册上建议在弱轴采用铰接框架加支撑体系或者采用钢管柱设计方案,抗震规范“柱在两个互相垂直的方向都与梁刚接时,宜采用箱形截面。当仅在一个方向刚接时,宜采用工字形截面,并将柱腹板置于刚接框架平面内。”规范中虽然没有明确说不可采用工字钢柱弱轴与钢梁刚接,但根据抗震规范节点抗震承载力验算要求,弱轴连接一般是无法满足相关条款要求的。异型工字钢柱相比箱形柱的节点加工容易、施工方便节约钢材,相比框架支撑体系减少了支撑部分的设置,从应用角度可灵活用于住宅墙体中,满足建筑师对住宅内无外露结构构件的要求。
异型钢柱在结构分析中存在以下问题:
1)异型钢柱全截面受力情况分析,这里主要指在弱轴上增加 T 型构件,是否就相应的增加了这部分的截面特性,包括 T 型构件偏轴远近的影响,笔者认为钢柱类型不同,截面特性增加比例也会不同;
2)异型钢柱局部稳定性计算,这点可以参考规范中柱板件宽厚比进行控制;
3)梁柱节点与钢柱形心轴偏离时整体受力分析,采用普通杆系计算软件是不能解决这个问题的。理想的计算模型应该采用有限元整体建模方式进行内力分析, 可以解决上述问题,但建模工作量太大了。
在设计中根据以下几个原则来确定柱截面:
1)按方钢管柱方案进行结构分析,根据计算应力比结果接近 0.9 的情况,选定框架梁截面尺寸,根据方钢管截面特性初选 X,Y 方向上工字钢截面,计算时不考虑腹板作用,初步确定异型柱截面;
2)按工字钢柱方案进行结构分析,异型柱(一体化装修) T 型构件布置方向,设柔性支撑代替异型柱中 T 型构件在工字钢弱轴上的刚度影响,按有侧移钢框架计算,调整异型钢柱中工字钢截面尺寸;完成后调整工字钢及柔性支撑布置方向,验算 T 型构件与工字钢腹板组成的工字钢截面尺寸;
3)根据上一步建立的模型,选取工字钢强轴所在的单榀框架进行抗震验算,只参考工字柱强轴应力计算结果,检验异型柱单向受力是否满足;
4)根据上述计算结果,手工核算梁柱节点处抗震承载能力,基础设计时考虑偏轴引起的附加弯矩;
5)以普通工字钢柱和方钢管柱按无支撑框架体系分别进行正常设计,其中钢梁按设计所选截面计算,根据合适的计算结果,统计钢柱用钢量以控制异型柱用钢量的上下限。
上述方法没有可依据的计算公式及条文,对偏轴引起的附加弯矩对整体的影响没有更多处理,这也是笔者只在二三层住宅设计中应用,没在更高的工程里使用异型钢柱的原因。笔者提出异型钢框架方案,希望得到大家的批评指正。
二、设计细节的问题
1、 整体计算时选取合适的结构阻尼比根据抗震规范要求,除专门规定外,建筑结构的阻尼比应取0.05,当阻尼比不等于0.05时,地震影响系数曲线应进行修正,钢结构相关阻尼比选取值见表 1
表 1 不同结构阻尼比应用值

从表 1 中数据可以看出,不同的钢结构体系有不同的地震影响系数,如果在结构分析时错误选择阻尼比对设计结果会产生较大影响,其中钢管混凝土和钢-砼混合结构由于是两种材料共同作用,在选取阻尼比时,应根据两种材料应用比例综合考虑阻尼比,结构整体刚度越柔,阻尼比选值越低。
刚接柱脚设计
常见柱脚分埋入式、外包式、外露式。在住宅设计中多采用外露式,相比其它两种方式,其现场安装、定位方便。在设计时应注意,柱脚的刚度是靠底板的弹性变形或塑性变形来实现的,这就意味着整个结构变形包括钢结构本身变形及底板受拉变形后引起的整体变形,如在分析内力时视外露式为刚性柱脚,设计中要考虑层间位移角限值要有一定的富裕,同时应考虑底层钢柱弯矩反弯点下移引起的柱顶弯矩增大。
根据节点设计要求,为保证罕遇地震时不发生柱脚节点先于钢柱破坏,柱脚节点连接处的极限抗弯承载能力应大于 1.2 倍钢柱的全塑性受弯承载力(Wpnx·f)才可以,常见设计方法是根据柱脚反力来确定柱脚螺栓直径、连接焊缝,这样只能保证柱脚节点在多遇地震作用下具有一定强度而不破坏,而柱脚弯矩设计值所需截面抵抗模量一般小于钢柱本身截面抵抗模量(Wx),以H628X260X10X14 工字钢为例,1.2·Wpnx/Wx=1.36 倍,外露式很难保证这项设计要求。而采用其它两种柱脚方式在转递钢柱内力时很容易满足前项要求,设计中传力明确、计算容易、构造简单、节省钢材。
插入式柱脚构造相比埋入式更简单,大部分书籍认为可靠性不如埋入式,建议用于单层钢结构厂房,不适合高层建筑钢结构。笔者认为在多层建筑钢结构可以采用,因为在许多工业项目中,单层厂房层高多在 10~30m,厂房内设多台吊车及大量检修平台,单柱荷载及地震作用往往大于普通住宅的情况,多层住宅柱脚在概念设计和计算设计都满足规范要求的情况下,采用插入式是没有问题的。新钢结构规范也增加了插入式柱脚的设计和构造规定。
3、楼板设计
楼板有预制楼板、现浇楼板、组合楼板等。采用预制楼板时应考虑预制板由于温度变化、荷载分布等原因,造成楼板接缝处开裂形成的单侧翼缘附加弯矩影响,即钢梁平面内整体抗弯应力与翼缘平面外抗弯应力双向组合后要满足折算应力限值,有些项目将楼板搁置在下翼缘上尤其要注意这个问题。压型钢板组合楼盖在钢结构住宅中应用很多,整体分析时要考虑组合板的各向异性对框架梁的影响,包括根据楼板设置情况确定连续板或简支板、传力路径是单向还是双向、组合钢梁是按强边还是弱边组合造成的刚度差异;楼板设计时要避免集中单向布置楼板,使结构体系形成横向或纵向承重,做到合理布置组合楼板,尽量形成双向承重结构。
4、梁柱刚性连接设计
梁柱间刚性连接计算可按常用设计法或全截面受弯设计法进行,当钢梁翼缘的抗弯承载力大于整个截面承载力的 70%时,可采用常用设计法进行设计,小于 70%时,应采用全截面抗弯设计法,在住宅设计中,钢梁多属于前者,常用设计法计算原则为翼缘和腹板分别承担弯矩和剪力,普遍认为计算容易,结果偏于安全。事实上根据多高层房屋钢结构梁柱刚性连接节点的抗震设计和多高层房屋钢结构梁柱刚性节点的设计,不做任何处理的将钢梁与钢柱进行栓焊等强连接是很难达到强节点弱杆件的设计要求,对加强式节点设计有设计及构造详细说明,具体做法主要有三种方式:梁端翼缘加焊楔形盖板、梁端底部加腋、犬骨式连接。通过笔者在实际应用后认为,三者都存在增加施工难度的问题。第四种方式:梁端翼缘加宽方式,但在标准图集中不作为主推形式介绍,当建筑对梁宽没有要求的情况下,这种连接方式最为实用、便捷。
三、设计标准的问题
1、“轻型”钢结构概念问题
近年来因“轻型门式刚架房屋”二字的出现,在许多设计人包括结构设计人员的头脑中形成一种轻(质量)钢材概念,一遇到附属建筑设施或看似不重要的结构时就提出用“轻钢”来解决,却不注重该部分对主体结构的效应分析,事实上结构概念设计时应清楚,“轻型”实际上是指结构承受相对较轻的荷载,住宅设计中不会因为采用钢结构而减少荷载使用标准,结构体系无论采用钢还是混凝土,构件效应分析是没有原则上区别的。
2、多高层钢结构设计区别
根据规范有关条文,包括钢结构抗震调整系数,框架柱长细比,框架构件宽厚比等控制条款,均以 12 层作为区分点,因此可以理解为高层钢结构是指 12 层以上的建筑物。高规中高层是指 10 层及 10 层以上或房屋高度超过 28m 的建筑,这其中包括混合结构,再参考国外部分国家高层起始高度多设在 25~30 米或 8 至 11 层。由此看来我国的多层钢结构适用范围要高于普通结构,也高于国外标准。多高层钢结构不仅构造不同,相关抗震调系数也不同,限值差别太大,在前面表 1 已说明,笔者认为此区分过于宽泛,举例说明一下:层高平均 4m,12 层建筑物高度 48米,是高规中 28 米限值的 1.7 倍,这就产生下面的问题,在混合结构中,混凝土结构应按高规构造设计,钢结构可以按多层构造设计,执行了两种标准。
3、《钢结构设计规范》
对住宅结构设计指导作用不大新版规范延续了工业建筑钢结构设计指导思想,例如在变形允许值按厂房构件进行分类,对民用建筑构件不做细分;温度区段设置要求以排架结构方式进行划分而不考虑纵横向承重体系、钢混组合结构的特点来区分,特别是强制性条文第 8.1.4 条“结构应根据其形式、组成和荷载的不同情况,设置可靠的支撑系统。在建筑物的每一个温度区段或分区建设的区端中,应分别设置独立的空间稳定的支撑系统。”从文字上理解,钢结构不应该采用无支撑的纯框架结构,这显然与实际应用不符,设置支撑与否应以结构设计需要来确定,根据条文说明也可以知道这是一个原则规定,但作为强制性条文,必须严格执行值得商榷,民用建筑在使用要求上不同于工业建筑,包括一些结构体系也存在差异,应区别对待。
相比其他规范不断完善抗震部分内容,新版只在总则中提到应符合相关抗震规范的规定,似乎抗震设计在钢结构中并不重要,实际上在北岭和阪神地震后,国外开始纷纷重视钢结构抗震设计的研究,国内也有很多文章介绍,应该有很多成果可以总结成文的。我国抗震规范规定应根据抗震设防烈度采取不同的抗震措施,而钢结构抗震要求却没有任何区别也是不妥的。
四、设计钢结构住宅应尊重住宅使用的根本要求
钢结构住宅是今后发展的一个重要方向,但钢结构仅仅是建筑中承重体系、服务部分,它不是建筑使用中的主要成分,钢结构住宅设计首先要遵循住宅建筑设计的一般原则,然后才是发挥钢结构的优势,单纯突出钢结构而不考虑生活的舒适性、不能满足人文要求的钢结构住宅项目是没有市场的。对于钢结构住宅不能因为要推广钢材在建筑中的应用而简单、强行在住宅结构中使用,这样作对推广钢结构住宅没有实际意义。相对而言公建、体育场馆、工业厂房等是钢结构在建筑中最能发挥其特长的领域,近年来,我们已经深刻感觉到这种应用变化。

BIM建筑网




评论前必须登录!
注册